“电子鼻”空气除味器

摘要

家中厕所中有的异味难以去除,而排风扇工作时噪音较大,且使用时人在房间内有噪音污染,需关闭房门以避免噪音干扰。装修已有些年头的房子未安装排风扇,若想添加还需挖墙打洞,不方便亦不经济。因此我们想使用工业蜂窝活性炭与涡轮风扇结合制成由MQ135气味传感器自动控制的简易空气除味器。还可用于火锅店等气味较大的场所。

由MQ135空气传感器控制电源,使用涡轮风扇吸进有毒有害有刺激性气味气体,通过蜂窝活性炭吸附净化,再通过涡轮风扇排出被净化的空气,以达到为空气除味的目的。

关键词:蜂窝活性炭 涡轮风扇 MQ135空气传感器

引言

使用工业蜂窝活性炭与涡轮风扇结合制成由MQ135气味传感器自动控制的简易空气除味器,还可用于火锅店等气味较大的场所。MQ135气体传感器所使用的气敏材料是在清洁空气中电导率较低的二氧化锡(SnO2)。当传感器所处环境中存在污染气体时,传感器的电导率随空气中污染气体浓度的增加而增大。使用简单的电路即可将电导率的变化转换为与该气体浓度相对应的输出信号。

MQ135气体传感器对氨气、硫化物、苯系蒸汽的灵敏度高,对烟雾和其它有害气体的监测也很理想。这种传感器可检测多种有害气体,是一款适合多种应用的低成本传感器。

本课题主要创新点为“电子鼻”MQ135在空气除味器中的感应利用,较市场上所售卖的空气除味器多了自动感应、随时监测的优点。

项目所需材料

蜂窝活性炭 涡轮风扇+稳压电源 木质小盒 MQ135空气传感器

研究与设计

1.气味吸附——蜂窝活性炭

(1)简述:

蜂窝活性炭采用优质煤质活性炭为原材料,经蜂模具压制,高温活化烧制而成。

蜂窝活性炭可广泛用于各种气体净化设备和废气治理工程,实践证明,净化效果比普通活性炭好。用蜂窝活性炭可不同程度去除的污染物有:氧化氮、四氯化碳、氯、苯、二甲醛、丙酮、乙醇、乙醚、甲醇、乙酸、乙酯、苯乙烯、光气、恶臭气体等酸碱性气体。

蜂窝活性炭具有比表面积大,通孔阻力小,微孔发达,高吸附容量,使用寿命长等特点,在空气污染治理中普遍应用。选用蜂窝活性炭吸附法,即废气与具有大表面的多孔性活性炭接触,废气中的污染物被吸附,从而起到净化作用。

(2)除味原理:

活性炭是一种很细小的炭粒,有很大的表面积,而且炭粒中还有更细小的孔----毛细管。这种毛细管具有很强的吸附能力,由于炭粒的表面积很大,所以能与气体(杂质)充分接触,当这些气体(杂质)碰到毛细管就被吸附,起净化作用。

活性碳被广泛用于汽车或者室内的空气净化。活性碳是一种多孔的含碳物质,其发达的空隙结构使它具有很大的表面积,所以很容易与空气中的有毒有害气体充分接触,活性碳孔周围强大的吸附力场会立即将有毒气体分子吸入孔内,所以活性碳具有极强的吸附能力。

(3)使用注意事项:

在使用过程中,尽量避免温度过高,温度过高会降低吸附量,吸附量随温度上升而下降;同时要避免高含尘量和油雾,因为焦油尘雾会堵塞活性炭微孔,增加阻力,降低吸附效果。

活性炭作为一种吸附材料,确实能够治理一定的装修污染。但是活性炭只能单一吸附,无法分解、消耗所吸附的有害物质,在使用一段时间后,活性炭就会饱和。饱和的活性炭如果不及时更换,也会将吸附的有毒有害气体排到室内,这个时候,活性炭就成为了新的污染源,就像净水机的滤芯要定期更换,一般来说1-2个月就需要更换活性炭。

图1

2.涡轮风扇

(1)简述:

涡轮风扇别称离心式风扇,常见于个人电脑散热领域,习惯将小型离心风扇称为涡轮风扇。涡轮风扇的气体流向垂直于转轴,而常见的轴流风扇气体流向与转轴平行。相对传统的散热风扇,离心风扇能在更小的空间占用下输出更大的风量,提升散热效果。

(2)进排气原理:

离心式风扇是由电机带动叶轮旋转,叶轮中的叶片迫使气体旋转,对气体做功,使其动量增加,气体在离心力的作用下,向叶轮四周甩出,通过涡型机壳将动能转换成压力能,当叶轮内的气体排出后,叶轮内的压力低于进风管内压力,新的气体在压力差的作用下吸入叶轮,气体就连续不断的从风扇内排出。

图2

图3

MQ135空气污染气体传感器

(1)简述:

MQ135气体传感器所使用的气敏材料是在清洁空气中电导率较低的二氧化锡(SnO2)。当传感器所处环境中存在污染气体时,传感器的电导率随空气中污染气体浓度的增加而增大。使用简单的电路即可将电导率的变化转换为与该气体浓度相对应的输出信号。

MQ135气体传感器对氨气、硫化物、苯系蒸汽的灵敏度高,对烟雾和其它有害气体的监测也很理想。这种传感器可检测多种有害气体,是一款适合多种应用的低成本传感器。

(2)优点:

a.在较宽的浓度范围内对有害气体有良好的灵敏度

b.对氨气、硫化物、苯系等气氛灵敏度较高

c.长寿命、低成本

d.简单的驱动电路即可

(3)技术指标

图4

图5

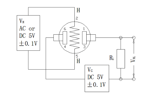
(4)接线方式

图6

图7

(5)基本电路

图8

(6)程序

#define Aout A0 //MQ-135 AO 接 Arduino Uno A0

int temp = 0; //临时变量,存储A0读取的数据

void setup() {

// put your setup code here, to run once:

Serial.begin(9600);//定义波特率

pinMode(Aout, INPUT);//定义A0为INPUT模式

}

void loop() {

// put your main code here, to run repeatedly:

temp = analogRead(Aout); //读取A0的模拟数据

Serial.println(temp); //串口输出temp的数据

delay(500); //延时500毫秒

}

图9

测试

a.亚克力板有机玻璃(粘合剂)

图10

图11

b.酒精

图12

图13

c.零食(基本无反应)

图14

图15

由实验可知,MQ135传感器对乙醇、液体玻璃粘合剂等有机溶剂有明显反应,而对零食等人味觉有极大感应的食品添加剂无明显反应。

4.木质盒子

(1)简述:

榫卯结构——平板明榫角结合

榫卯结构,中国古建筑以木材、砖瓦为主要建筑材料,以木构架结构为主要的结构方式,由立柱、横梁、顺檩等主要构件建造而成,各个构件之间的结点以榫卯相吻合,构成富有弹性的框架。

榫卯是在两个木构件上所采用的一种凹凸结合的连接方式。凸出部分叫榫(或榫头);凹进部分叫卯(或榫眼、榫槽),榫和卯咬合,起到连接作用。榫卯结构是榫和卯的结合,是木件之间多与少、高与低、长与短之间的巧妙组合,可有效地限制木件向各个方向的扭动。最基本的榫卯结构由两个构件组成,其中一个的榫头插入另一个的卯眼中,使两个构件连接并固定。榫头伸入卯眼的部分被称为榫舌,其余部分则称作榫肩。

榫卯是极为精巧的发明,每个构件都比较单薄,但是它整体上却能承受巨大的压力。这种结构不在于个体的强大,而是互相结合,互相支撑。

(2)作用:固定涡轮风扇和蜂窝活性炭

图16

组装

图17

研究收获

图18

此次课题研究中,我们使用Arduino软件与单片机连接,以及MQ135传感器控制电源,使用涡轮风扇交换气体,发现传感器实际应用效果非常棒。在实验过程中,我们发现了自己在程序编码上的一些不足,通过查找资料和请教老师,我们最终完成了代;在制作木盒的过程中,我们学习切割木板等初级木匠手艺,锻炼提高了自己的动手能力。通过这次课题研究,我们学会了团队合作与对网络、书籍的充分利用,最重要的一点,便是增强了自信心,面对困难永不言弃,克服问题,奋勇向前。

参考文献

特罗·卡维恩 (Tero Karvinen), 基莫·卡维恩 (Kimmo Karvinen) , 维勒·瓦尔托卡里 (Ville Valtokari)

传感器实战全攻略:41个创客喜爱的Arduino与Raspberry Pi制作项

人民邮电出版社; 第1版 (2016年7月1日)

图19

图19

图20

图20